x
S E T A A L U M I N Y U M

1994’ten bu yana inşaat ve elektrik sektöründe faaliyet gösteren Ateş İnşaat, 2025 yılında alüminyum profil üretimine “SETAALUMİNYUM” markasıyla başlamıştır. Kilis’te kurulmuş olan 12.000m2 kapalı, 26.000m2 açık fabrika alanında uzman ve deneyimli ekibi ile gelişmiş son teknoloji makinelerle uluslararası standartlarda üretim yapmaktadır.

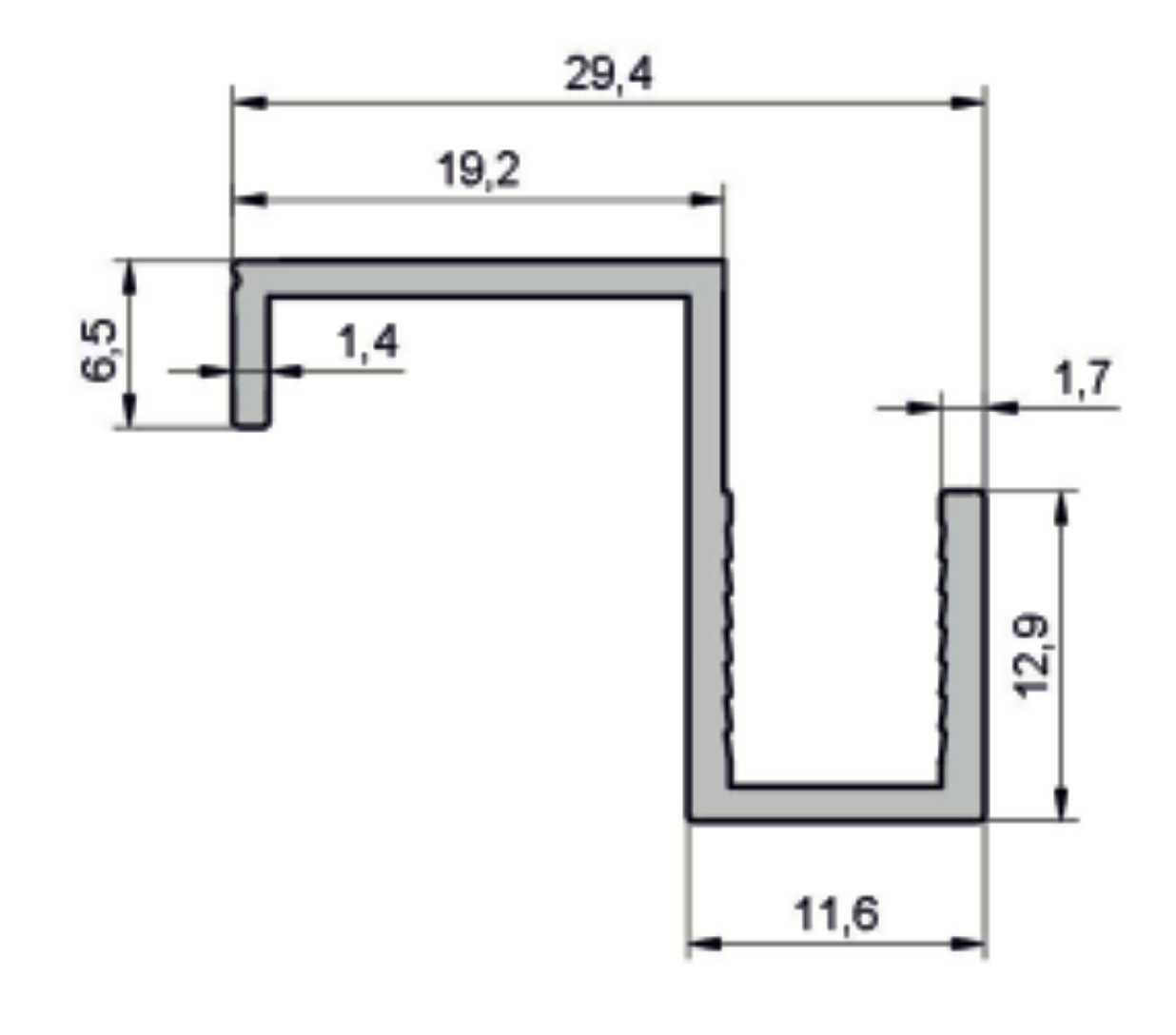
Seta 4012

Ağırlık : 263 ( gr/m)

SETA 4012, cam balkon sistemlerinin estetik bütünlüğünü sağlayan önemli bir detay profilidir. 263 gr/m ağırlığındaki bu profil, genellikle sistemin köşe dönüşlerinde, duvar diplerinde veya ray profillerinin açıkta kalan kısımlarını kapatmak için "Kapak" veya "Adaptör" olarak kullanılır.

Seta Alüminyum'un hassas üretim teknolojisiyle üretilen SETA 4012, montaj vidalarını ve kaba bağlantı noktalarını gizleyerek balkonunuza temiz ve profesyonel bir görünüm kazandırır.

 

Öne Çıkan Özellikler

  • Estetik Bitiş: Açıkta kalan kanalları ve bağlantı detaylarını gizler.

  • Hafif ve İşlevsel: Sisteme yük bindirmeden görsel kaliteliyi artırır.

  • Kolay Montaj: Geçme tırnakları veya vidalama kanalları sayesinde pratik uygulama sağlar.

Profil Kodu = 4012

Kategori = Cam Balkon Profilleri

Teorik Ağırlık = 0.263 kg/m

Kullanım Yeri = Detay Kapak / Adaptör

 

Neden Bu Ürünü SETA Alüminyum Kalitesiyle Almalısınız?

  • Renk Uyumu: Ana sistem profilleriyle (kasa, baza) aynı eloksal/boya kazanında işlem görerek ton farkı yaratmaz.

  • Tamamlayıcı Çözüm: Standart profillerin yetersiz kaldığı detaylarda kurtarıcıdır.

  • Hızlı Temin: Projenizin son aşamasında ihtiyaç duyacağınız bu profili sürekli stokta tutuyoruz.

Proje detayına göre değişmekle birlikte genellikle köşe dikmelerinin arkasını kapatmak veya boşluk doldurmak için kullanılır.

Evet, boşlukları kapattığı için rüzgar sesini ve hava girişini azaltır.

İnce yapısı sayesinde gönye testere ile kolayca ve çapaksız kesilebilir.

Bize Yazın

Sorularınızı Hemen Sorun

Projeleriniz, ürün talepleriniz veya iş birlikleri hakkında detaylı bilgi almak için bizimle iletişime geçebilirsiniz. Uzman ekibimiz size en kısa sürede dönüş yapacaktır.

Seta Aluminyum TSE Belgesi

Tse Onaylı

Seta Alüminyum, üretim süreçlerinde kalite ve güveni ön planda tutarak, ürünlerini TSE standartlarına uygun şekilde üretmekte ve belgelendirmektedir.

Seta Aluminyum Katalog

Kataloglarımız

Kataloglarımızda mimariden otomotive, enerjiden savunma sanayine kadar birçok sektöre özel alüminyum profil çözümlerimizi bulabilirsiniz.

Diğer Ürünleri Keşfet

Detaylarda Güç Saklı! Diğer Ürünlerimize Göz Atın.

Benzer Ürünler bölümümüzde, ihtiyaçlarınıza uygun farklı profil seçeneklerini keşfedin. Fonksiyonel, estetik ve dayanıklı çözümlerle projelerinize en uygun alternatifi sunuyoruz.