x
S E T A A L U M I N Y U M

1994’ten bu yana inşaat ve elektrik sektöründe faaliyet gösteren Ateş İnşaat, 2025 yılında alüminyum profil üretimine “SETAALUMİNYUM” markasıyla başlamıştır. Kilis’te kurulmuş olan 12.000m2 kapalı, 26.000m2 açık fabrika alanında uzman ve deneyimli ekibi ile gelişmiş son teknoloji makinelerle uluslararası standartlarda üretim yapmaktadır.

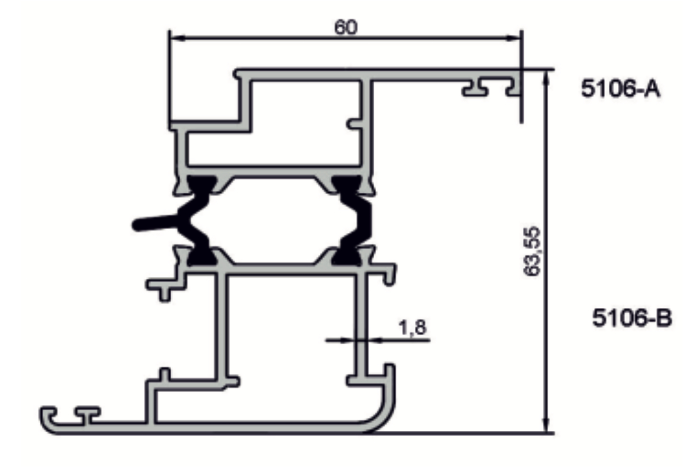
Seta 5106

Ağırlık : 1660 ( gr/m)

SETA 5106, Seta-65 serisinin pencereler için tasarlanmış standart kanat profilidir. 1.660 kg/m ağırlığı ile Seta-55 serisinin kapı kanadı (5004) kadar ağırdır; bu da Seta-65 pencerelerinin ne kadar sağlam olduğunu gösterir.

Çift açılım (vasistas) mekanizmalarına tam uyumlu olan bu profil, 3 contalı yalıtım sistemiyle çalışır. Seta Alüminyum kalitesiyle üretilen SETA 5106, ağır üçlü camları (triple glass) sarkma yapmadan taşır.

Öne Çıkan Özellikler

  • Güçlü Kanat: 1.66 kg/m ağırlığıyla büyük boyutlu pencereler yapılabilir.

  • Isıcam Uyumu: Geniş cam boşluğu sayesinde 40mm'ye kadar cam paketlerini alabilir.

  • Estetik: Düz ve modern hatlarıyla cepheye değer katar.

Profil Kodu = 5106

Kategori = Seta-65 Yalıtımlı Sistemler

Teorik Ağırlık = 1.660 kg/m

Kullanım Yeri = Pencere Kanadı

Neden Bu Ürünü SETA Alüminyum Kalitesiyle Almalısınız?

  • Hava Sızdırmazlık: Kasa ile birleşiminde (bini paylarında) hassas üretim toleransları.

  • Boya Garantisi: Dış cephede solmayan, garantili boya ve eloksal işlemi.

  • Lojistik: Profilin hasar görmemesi için koruyucu bantlı sevkiyat.

Evet, pencere tipi (balkon) kapılarında kullanılabilir; ancak kilitli ana giriş kapısı yapılacaksa 5104 önerilir.

Akustik cam ile kullanıldığında, kalın profili ve bariyerleri sayesinde mükemmel ses yalıtımı sağlar.

Evet, standart pencere kolları ve çocuk emniyet kilitleri ile uyumludur.

Bize Yazın

Sorularınızı Hemen Sorun

Projeleriniz, ürün talepleriniz veya iş birlikleri hakkında detaylı bilgi almak için bizimle iletişime geçebilirsiniz. Uzman ekibimiz size en kısa sürede dönüş yapacaktır.

Seta Aluminyum TSE Belgesi

Tse Onaylı

Seta Alüminyum, üretim süreçlerinde kalite ve güveni ön planda tutarak, ürünlerini TSE standartlarına uygun şekilde üretmekte ve belgelendirmektedir.

Seta Aluminyum Katalog

Kataloglarımız

Kataloglarımızda mimariden otomotive, enerjiden savunma sanayine kadar birçok sektöre özel alüminyum profil çözümlerimizi bulabilirsiniz.

Diğer Ürünleri Keşfet

Detaylarda Güç Saklı! Diğer Ürünlerimize Göz Atın.

Benzer Ürünler bölümümüzde, ihtiyaçlarınıza uygun farklı profil seçeneklerini keşfedin. Fonksiyonel, estetik ve dayanıklı çözümlerle projelerinize en uygun alternatifi sunuyoruz.