x
S E T A A L U M I N Y U M

1994’ten bu yana inşaat ve elektrik sektöründe faaliyet gösteren Ateş İnşaat, 2025 yılında alüminyum profil üretimine “SETAALUMİNYUM” markasıyla başlamıştır. Kilis’te kurulmuş olan 12.000m2 kapalı, 26.000m2 açık fabrika alanında uzman ve deneyimli ekibi ile gelişmiş son teknoloji makinelerle uluslararası standartlarda üretim yapmaktadır.

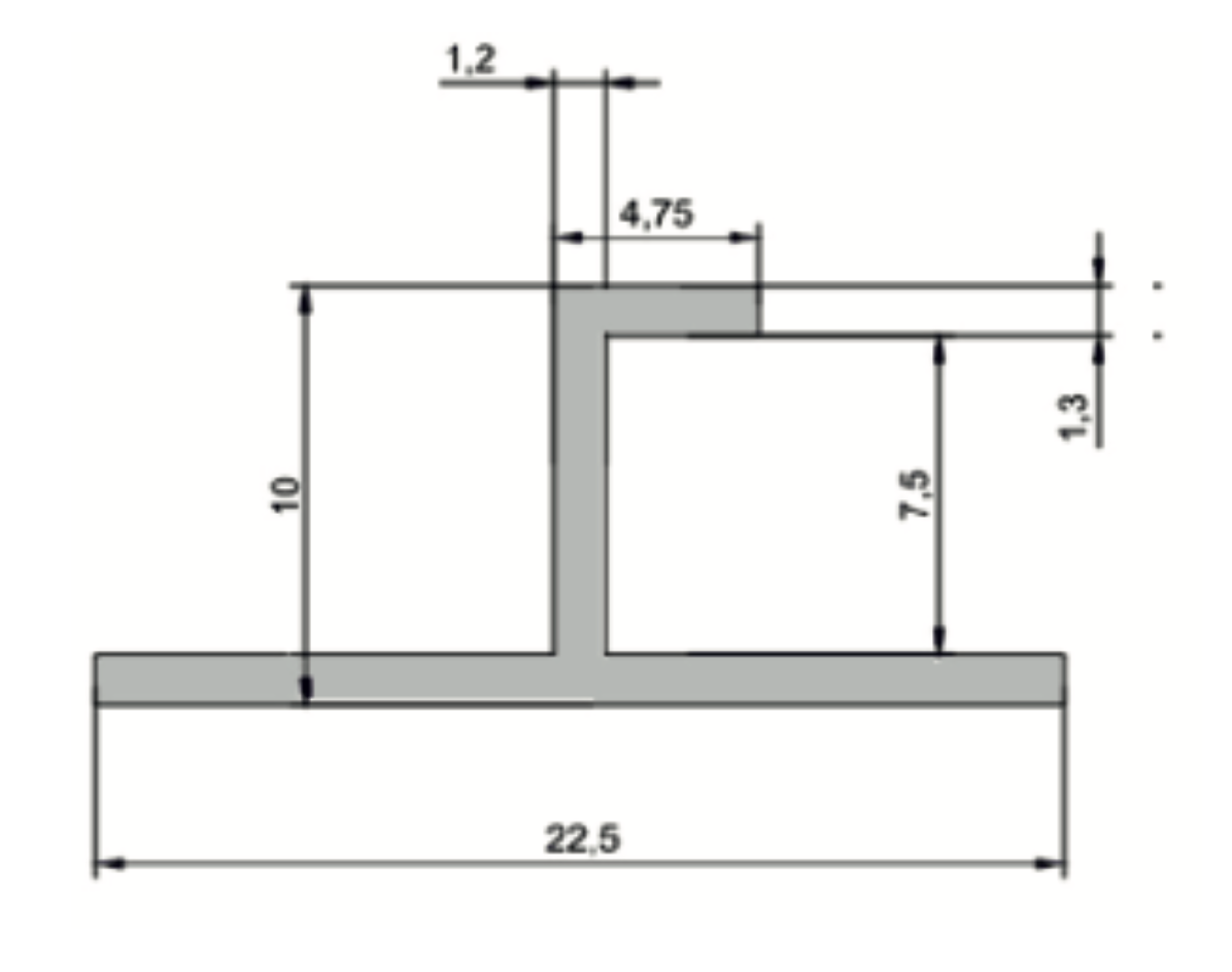
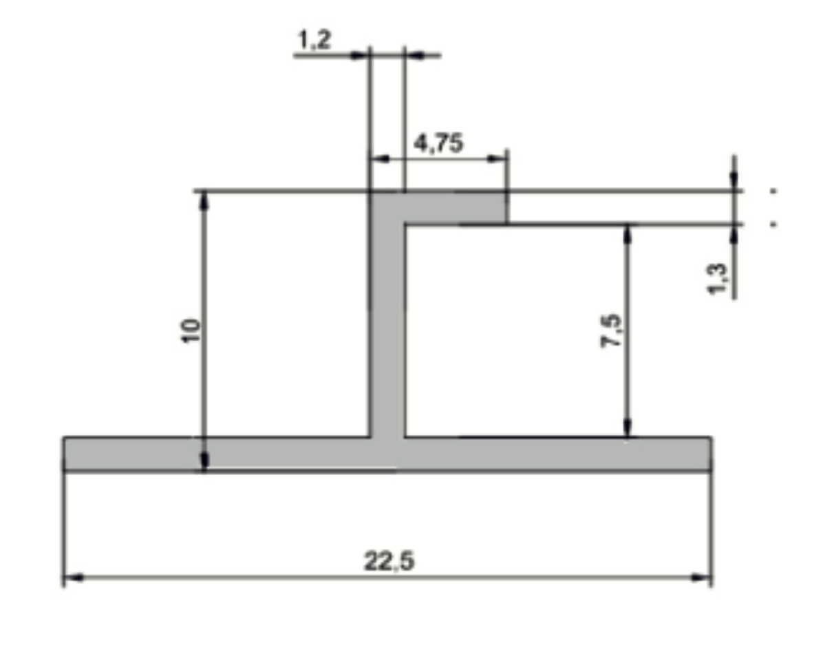
Seta 127

Ağırlık : 114 ( gr/m)

SETA 127, serinin en hafif profillerinden biri olan SETA 121 (103 gr) modeline alternatif, 114 gr/m ağırlığında ince bir profildir. "Lama", "Şerit" veya "Dilatasyon Çıtası" olarak zemin geçişlerinde, mobilya süslemelerinde veya yüzey kaplama bitişlerinde kullanılır.

Seta Alüminyum kalitesiyle üretilen bu zarif profil, parlak eloksal (krom efektli) veya gold kaplama ile mekanlara değer katar.

Öne Çıkan Özellikler

  • Dekoratif: İnce ve şık yapısıyla kaba detayları gizler.

  • Esnek: Hafif kavisli yüzeylere uyum sağlayabilir.

  • Koruyucu: Köşe ve kenarları darbelere karşı korur.

Profil Kodu = 127

Kategori = Standart Profiller

Teorik Ağırlık = 0.114 kg/m

Kullanım Yeri = Dekoratif Çıta / Şerit

Neden Bu Ürünü SETA Alüminyum Kalitesiyle Almalısınız?

  • Hassas Ölçü: Genişlik ve kalınlıkta sapma olmaz.

  • Leke Tutmaz: Pürüzsüz yüzeyi sayesinde temizliği kolaydır.

  • Tamamlayıcı: Projenizin en küçük detayında bile Seta kalitesini yansıtır.

Genelde silikon veya güçlü montaj bantları ile yapıştırılarak uygulanır.

Evet, parke-seramik geçişlerinde eşik çıtası olarak kullanılabilir, ancak üzerine basıldığında ezilmemesi için zeminin düzgün olması gerekir.

Hayır, eloksal kaplamalı alüminyum paslanmaz ve kararmaz.

Bize Yazın

Sorularınızı Hemen Sorun

Projeleriniz, ürün talepleriniz veya iş birlikleri hakkında detaylı bilgi almak için bizimle iletişime geçebilirsiniz. Uzman ekibimiz size en kısa sürede dönüş yapacaktır.

Seta Aluminyum TSE Belgesi

Tse Onaylı

Seta Alüminyum, üretim süreçlerinde kalite ve güveni ön planda tutarak, ürünlerini TSE standartlarına uygun şekilde üretmekte ve belgelendirmektedir.

Seta Aluminyum Katalog

Kataloglarımız

Kataloglarımızda mimariden otomotive, enerjiden savunma sanayine kadar birçok sektöre özel alüminyum profil çözümlerimizi bulabilirsiniz.

Diğer Ürünleri Keşfet

Detaylarda Güç Saklı! Diğer Ürünlerimize Göz Atın.

Benzer Ürünler bölümümüzde, ihtiyaçlarınıza uygun farklı profil seçeneklerini keşfedin. Fonksiyonel, estetik ve dayanıklı çözümlerle projelerinize en uygun alternatifi sunuyoruz.