x
S E T A A L U M I N Y U M

1994’ten bu yana inşaat ve elektrik sektöründe faaliyet gösteren Ateş İnşaat, 2025 yılında alüminyum profil üretimine “SETAALUMİNYUM” markasıyla başlamıştır. Kilis’te kurulmuş olan 12.000m2 kapalı, 26.000m2 açık fabrika alanında uzman ve deneyimli ekibi ile gelişmiş son teknoloji makinelerle uluslararası standartlarda üretim yapmaktadır.

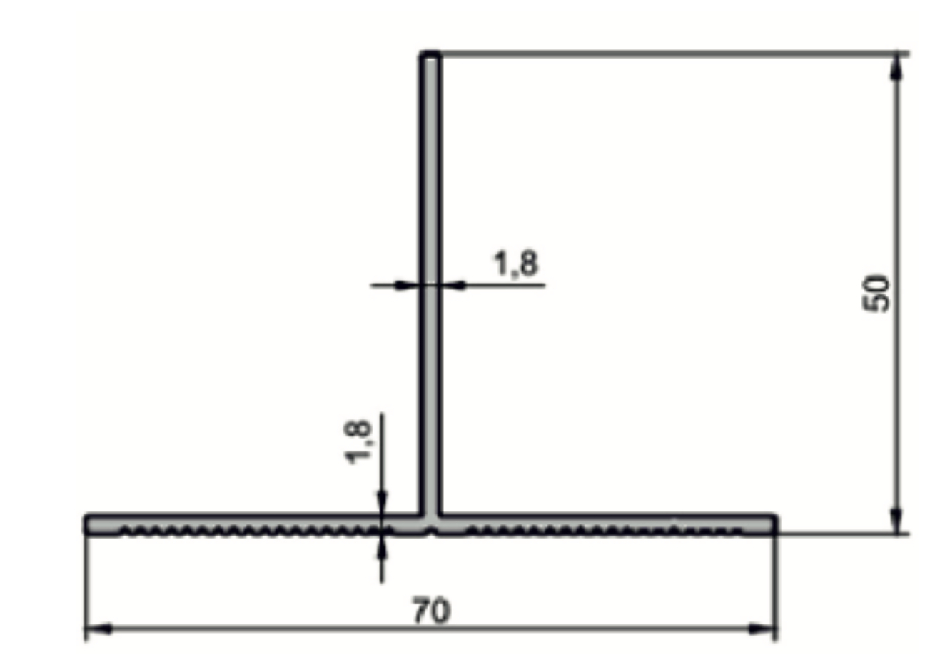
Seta 128

Ağırlık : 551 ( gr/m)

SETA 128, 551 gr/m ağırlığı ile standart profiller grubunun "Güçlü Orta Sınıf" üyesidir. SETA 111 ve SETA 123 modellerinden biraz daha ağır olan bu profil, daha yüksek et kalınlığı veya daha geniş ebatları sayesinde mukavemet gerektiren işlerde tercih edilir.

Reklam totemlerinin iç karkasında, dış cephe alt yapılarında veya endüstriyel tezgah yapımında kullanılan SETA 128, Seta Alüminyum'un üretim güvencesiyle sunulur.

Öne Çıkan Özellikler

  • Mukavemet: Yarım kilonun üzerindeki ağırlığıyla eğilmelere dirençlidir.

  • Çok Amaçlı: Kesit yapısına göre (Kutu/Boru/U) birçok farklı alanda kullanılır.

  • Uzun Ömür: Dış hava şartlarına dayanıklı alaşım yapısı.

Profil Kodu = 128

Kategori = Standart Profiller

Teorik Ağırlık = 0.551 kg/m

Kullanım Yeri = Konstrüksiyon / Şasi

Neden Bu Ürünü SETA Alüminyum Kalitesiyle Almalısınız?

  • Düzgünlük: 6 metrelik boylarda bile ip gibi düzgündür.

  • Boya Kalitesi: Elektrostatik toz boya ile istenilen renkte kusursuz kaplama.

  • Müşteri Desteği: Projenize uygun profil seçimi için teknik destek.

SETA 128 (551gr), 125'ten (505gr) %10 daha ağırdır. Bu fark, daha kalın et veya daha büyük ebat anlamına gelir, mukavemeti artırır.

Evet, alüminyum kaynağına uygundur.

Standart 6 metredir, özel siparişlerde boy kesim yapılır.

Bize Yazın

Sorularınızı Hemen Sorun

Projeleriniz, ürün talepleriniz veya iş birlikleri hakkında detaylı bilgi almak için bizimle iletişime geçebilirsiniz. Uzman ekibimiz size en kısa sürede dönüş yapacaktır.

Seta Aluminyum TSE Belgesi

Tse Onaylı

Seta Alüminyum, üretim süreçlerinde kalite ve güveni ön planda tutarak, ürünlerini TSE standartlarına uygun şekilde üretmekte ve belgelendirmektedir.

Seta Aluminyum Katalog

Kataloglarımız

Kataloglarımızda mimariden otomotive, enerjiden savunma sanayine kadar birçok sektöre özel alüminyum profil çözümlerimizi bulabilirsiniz.

Diğer Ürünleri Keşfet

Detaylarda Güç Saklı! Diğer Ürünlerimize Göz Atın.

Benzer Ürünler bölümümüzde, ihtiyaçlarınıza uygun farklı profil seçeneklerini keşfedin. Fonksiyonel, estetik ve dayanıklı çözümlerle projelerinize en uygun alternatifi sunuyoruz.