x
S E T A A L U M I N Y U M

1994’ten bu yana inşaat ve elektrik sektöründe faaliyet gösteren Ateş İnşaat, 2025 yılında alüminyum profil üretimine “SETAALUMİNYUM” markasıyla başlamıştır. Kilis’te kurulmuş olan 12.000m2 kapalı, 26.000m2 açık fabrika alanında uzman ve deneyimli ekibi ile gelişmiş son teknoloji makinelerle uluslararası standartlarda üretim yapmaktadır.

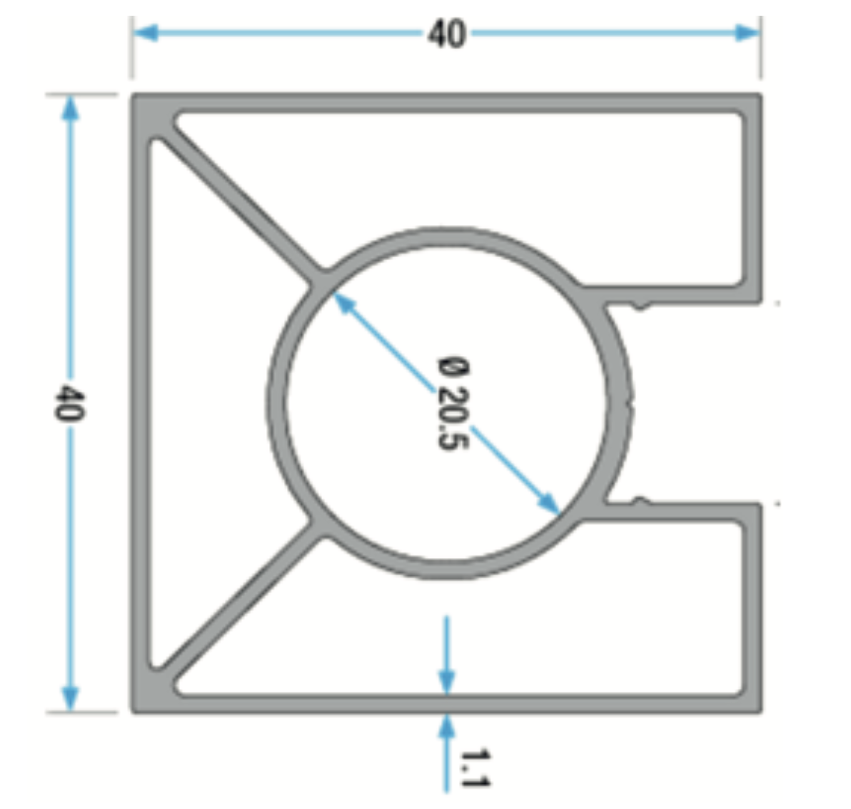
Seta 3013

Ağırlık : 800 ( gr/m)

SETA 3013, korkuluk sistemlerinde güvenliğin ve sağlamlığın simgesidir. 800 gr/m ağırlığı ile standart dikmelerden çok daha etli ve dayanıklıdır. "Baba Direk" olarak da bilinen bu profil, özellikle yüksek rüzgar yükü alan teraslarda, kalabalık AVM balkonlarında ve kamu binalarında ana taşıyıcı olarak görev yapar.

Seta Alüminyum kalitesiyle üretilen SETA 3013, zemine sağlam bir ankrajla bağlandığında esnemeyi minimize eder, küpeşte sisteminin kaya gibi sağlam durmasını sağlar.

Öne Çıkan Özellikler

  • Yüksek Statik : 0.8 kg/m ağırlığıyla darbelere ve yaslanmalara karşı maksimum direnç.
  • Güvenli Yapı : İnsan trafiğinin yoğun olduğu alanlarda güvenlik standartlarını karşılar.
  • Tok Görünüm : Etli yapısı sayesinde kalite ve güven hissi verir.

Profil Kodu = 3013

Kategori = Küpeşte ve Korkuluk Profilleri

Teorik Ağırlık = 0.800 kg/m

Kullanım Yeri = Ana Dikme / Baba

Neden Bu Ürünü SETA Alüminyum Kalitesiyle Almalısınız?

  • Üretim Standartları : EN 12020-1 standartlarında, homojen et dağılımıyla üretim yapıyoruz.
  • Proje Desteği : Büyük projelerinizde statik hesaplamalara uygun profil önerileri sunuyoruz.
  • Yüzey Kalitesi : Geniş yüzeyli dikmelerde lekesiz eloksal kaplama garantisi veriyoruz.

 

Ağırlıkları birbirine yakındır (800gr vs 818gr). Kesit formu veya çap farkı olabilir, projenizin görsel tercihine göre seçim yapabilirsiniz.

Genelde 80-100 cm arayla uygulanması önerilir ancak cam yükü ve rüzgar durumuna göre sıklaştırılabilir.

Evet, zemine sağlam tutunması için profilin içine giren çelik ankraj veya tij kullanılmalıdır.

Bize Yazın

Sorularınızı Hemen Sorun

Projeleriniz, ürün talepleriniz veya iş birlikleri hakkında detaylı bilgi almak için bizimle iletişime geçebilirsiniz. Uzman ekibimiz size en kısa sürede dönüş yapacaktır.

Seta Aluminyum TSE Belgesi

Tse Onaylı

Seta Alüminyum, üretim süreçlerinde kalite ve güveni ön planda tutarak, ürünlerini TSE standartlarına uygun şekilde üretmekte ve belgelendirmektedir.

Seta Aluminyum Katalog

Kataloglarımız

Kataloglarımızda mimariden otomotive, enerjiden savunma sanayine kadar birçok sektöre özel alüminyum profil çözümlerimizi bulabilirsiniz.