x
S E T A A L U M I N Y U M

1994’ten bu yana inşaat ve elektrik sektöründe faaliyet gösteren Ateş İnşaat, 2025 yılında alüminyum profil üretimine “SETAALUMİNYUM” markasıyla başlamıştır. Kilis’te kurulmuş olan 12.000m2 kapalı, 26.000m2 açık fabrika alanında uzman ve deneyimli ekibi ile gelişmiş son teknoloji makinelerle uluslararası standartlarda üretim yapmaktadır.

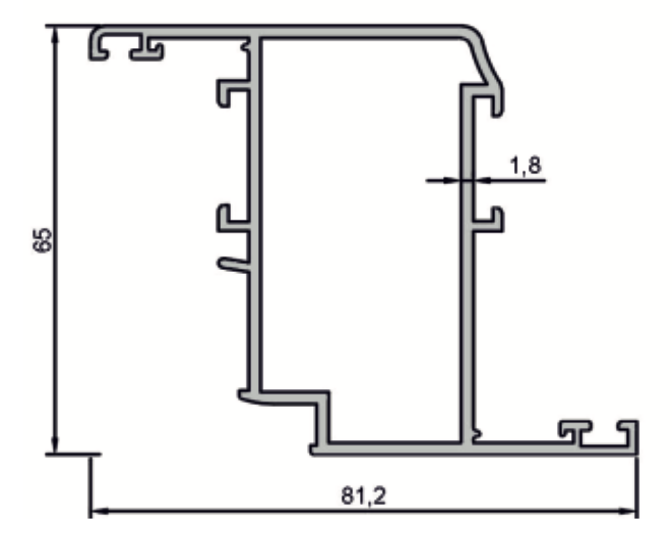
Seta 5003

Ağırlık : 1363 ( gr/m)

SETA 5003, yalıtımlı kapı ve pencere sistemlerinde "Orta Kayıt" (Mullion) olarak görev yapan, 1.363 kg/m ağırlığında taşıyıcı bir profildir. Geniş cam yüzeylerini bölerek sistemin statik direncini artırır ve rüzgar yüküne karşı kalkan görevi görür.

Seta Alüminyum Seta-55 serisinin bir parçası olan bu profil, orta kısmındaki ısı bariyeri sayesinde, profilin iç ve dış yüzeyi arasındaki ısı transferini keser. Böylece kayıt profilinin iç yüzeyi soğumaz ve terleme yapmaz.

Öne Çıkan Özellikler

  • Statik Güç: Pencerenin rüzgar karşısında esnemesini engelleyen ana omurgadır.

  • Isı Yalıtımı: Kayıt profillerinde sıkça görülen ısı kaçaklarını (soğuk köprü) önler.

  • Bağlantı Uyumu: Orta kayıt bağlantı takozları (çektirme) ile kasaya (5001/5002) sızdırmaz şekilde monte edilir.

Profil Kodu = 5003

Kategori = Seta-55 Yalıtımlı Sistemler

Teorik Ağırlık = 1.363 kg/m

Kullanım Yeri = Orta Kayıt / Bölme

Neden Bu Ürünü SETA Alüminyum Kalitesiyle Almalısınız?

  • Mühendislik: Statik hesaplamalara uygun atalet momentine sahip tasarım.

  • Üretim Teknolojisi: Polyamid bariyerin alüminyuma sıkıştırılması (ısı yalıtım köprüsü) işlemi tam otomasyonla yapılır.

  • Entegre Çözüm: Profil, fitil ve aksesuar uyumu garanti altındadır.

Hayır, SETA 5003 yalıtımlı (bariyerli) olduğu için sistemin genel ısı yalıtım değerini korur.

Standart 6 metre boyunda üretilir, projeye göre firesiz kesim çalışması yapılabilir.

Evet, balkon kapılarında yatay kayıt veya sabit bölme olarak güvenle kullanılır.

Rüzgar yüküne bağlı olarak değişir ancak genellikle 2.5 - 3 metreye kadar çelik takviyesiz kullanılabilir.

Evet, ısı bariyeri sayesinde iç ve dış alüminyum parçalar ayrı ayrı boyanıp birleştirilebilir.

Bize Yazın

Sorularınızı Hemen Sorun

Projeleriniz, ürün talepleriniz veya iş birlikleri hakkında detaylı bilgi almak için bizimle iletişime geçebilirsiniz. Uzman ekibimiz size en kısa sürede dönüş yapacaktır.

Seta Aluminyum TSE Belgesi

Tse Onaylı

Seta Alüminyum, üretim süreçlerinde kalite ve güveni ön planda tutarak, ürünlerini TSE standartlarına uygun şekilde üretmekte ve belgelendirmektedir.

Seta Aluminyum Katalog

Kataloglarımız

Kataloglarımızda mimariden otomotive, enerjiden savunma sanayine kadar birçok sektöre özel alüminyum profil çözümlerimizi bulabilirsiniz.

Diğer Ürünleri Keşfet

Detaylarda Güç Saklı! Diğer Ürünlerimize Göz Atın.

Benzer Ürünler bölümümüzde, ihtiyaçlarınıza uygun farklı profil seçeneklerini keşfedin. Fonksiyonel, estetik ve dayanıklı çözümlerle projelerinize en uygun alternatifi sunuyoruz.