x
S E T A A L U M I N Y U M

1994’ten bu yana inşaat ve elektrik sektöründe faaliyet gösteren Ateş İnşaat, 2025 yılında alüminyum profil üretimine “SETAALUMİNYUM” markasıyla başlamıştır. Kilis’te kurulmuş olan 12.000m2 kapalı, 26.000m2 açık fabrika alanında uzman ve deneyimli ekibi ile gelişmiş son teknoloji makinelerle uluslararası standartlarda üretim yapmaktadır.

Standart profiller birçok uygulamada tamamlayıcı profil olarak kullanılmaktadır. Standart profiller çeşitli ebatlarda çubuk, boru, L profil, T profil, U profil gibi geometrik şekillerden oluşmaktadır.

Seta Alüminyum, müşterilerine farklı ebatlarda, eloksallı, kaplamasız veya toz boyalı birçok standart profil sunmaktadır.

L-Profiller

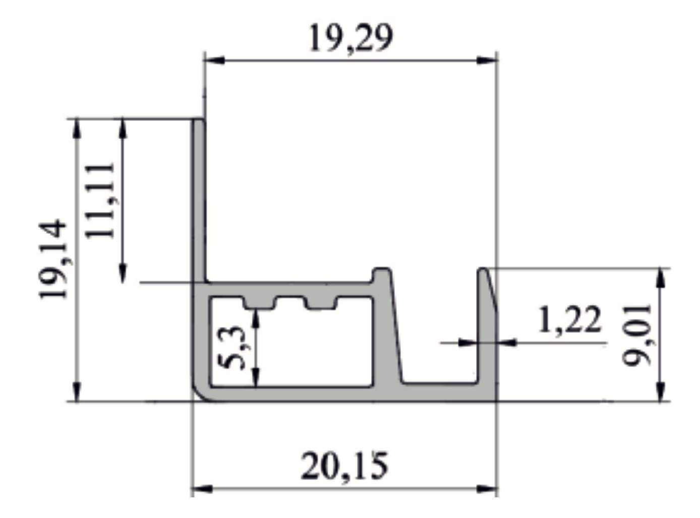
U-Profilleri

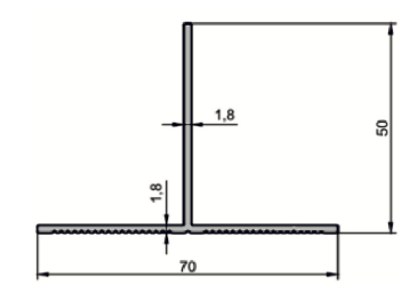
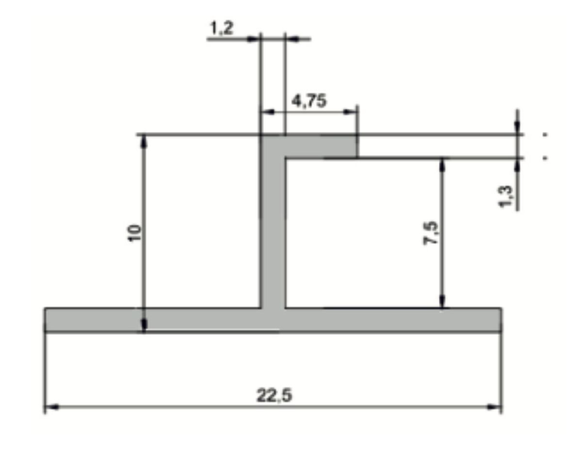
T-Profiller

Yuvarlak Borular ve Çubuklar

Düz Çubuklar

Seta 110

Seta 110

Ağırlık: 243 (gr/m)

Seta 111

Seta 111

Ağırlık: 503 (gr/m)

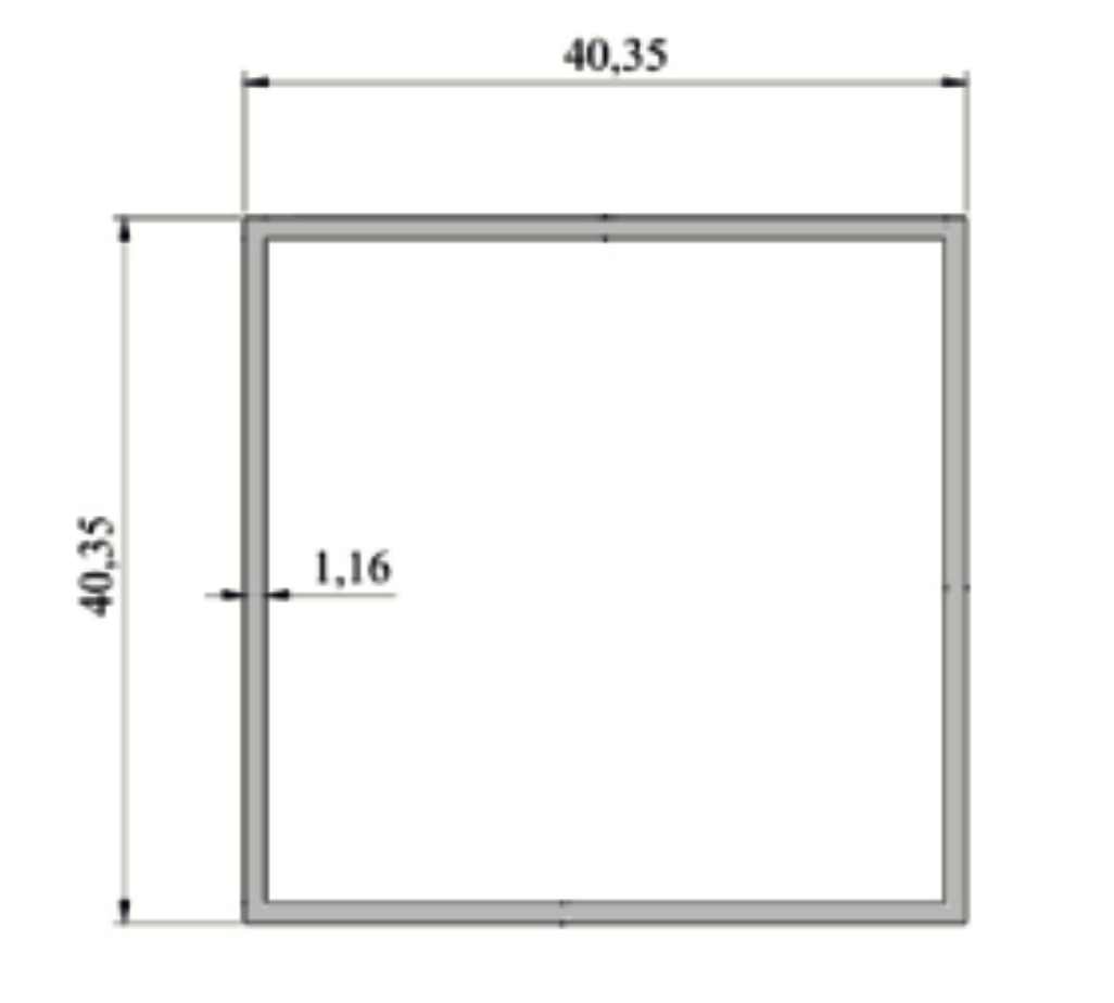
Seta 121

Seta 121

Ağırlık: 103 (gr/m)

Seta 122

Seta 122

Ağırlık: 1030 (gr/m)

Seta 123

Seta 123

Ağırlık: 515 (gr/m)

Seta 124

Seta 124

Ağırlık: 435 (gr/m)

Seta 125

Seta 125

Ağırlık: 505 (gr/m)

Seta 126

Seta 126

Ağırlık: 337 (gr/m)

Seta 127

Seta 127

Ağırlık: 114 (gr/m)

Seta 128

Seta 128

Ağırlık: 551 (gr/m)

Seta 129

Seta 129

Ağırlık: 308 (gr/m)

Seta 112

Seta 112

Ağırlık: 605 (gr/m)

Seta 130

Seta 130

Ağırlık: 1200 (gr/m)

Seta 113

Seta 113

Ağırlık: 125 (gr/m)

Seta 114

Seta 114

Ağırlık: 222 (gr/m)

Seta 115

Seta 115

Ağırlık: 947 (gr/m)

Seta 116

Seta 116

Ağırlık: 233 (gr/m)